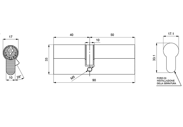
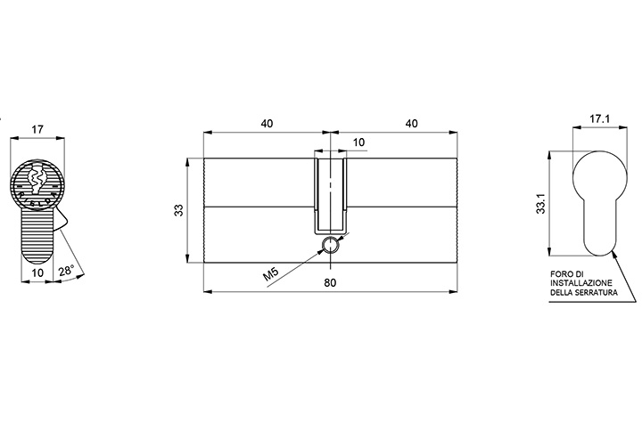
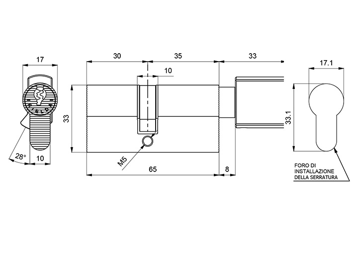
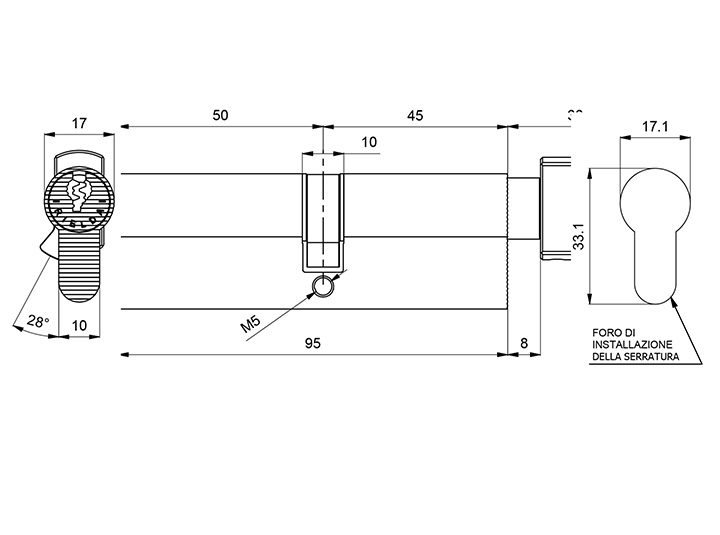
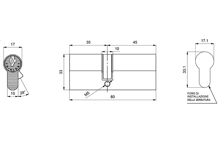
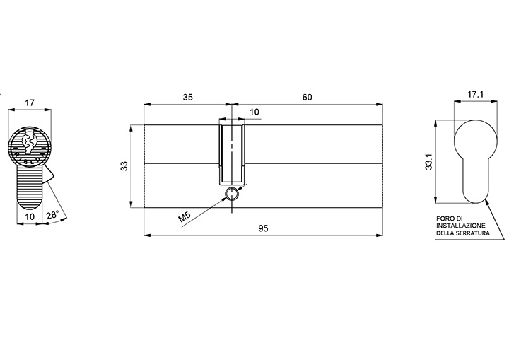
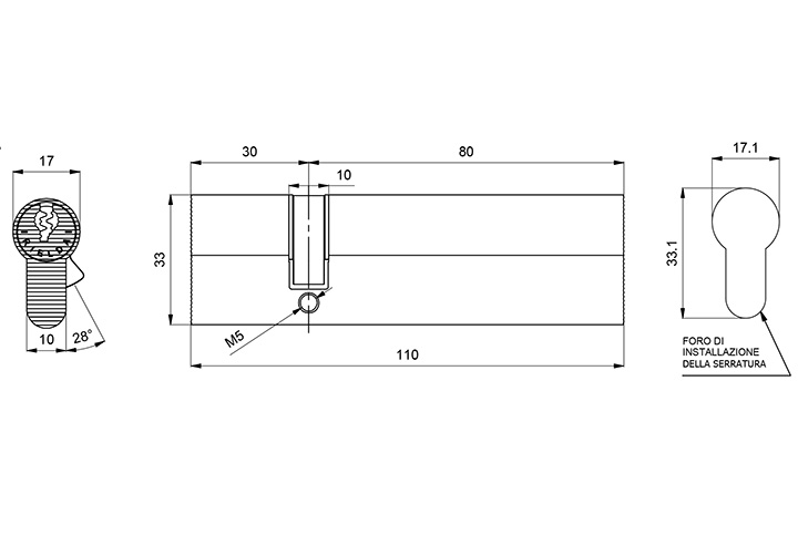
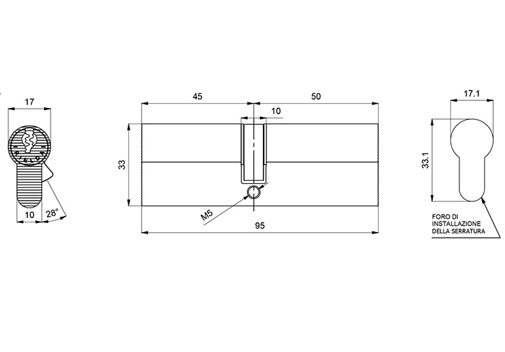
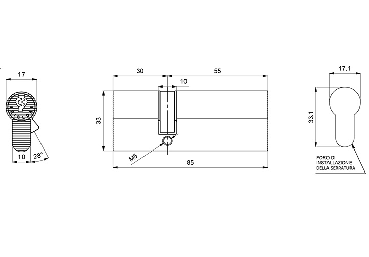
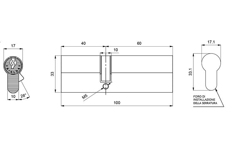
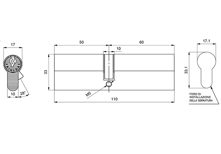
RS4 : Cilindro
La soluzione di sicurezza adatta ad ogni esigenza inclusi sistemi masterizzati
CONSUMER > RS4 > CILINDRO
