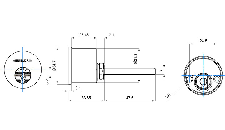
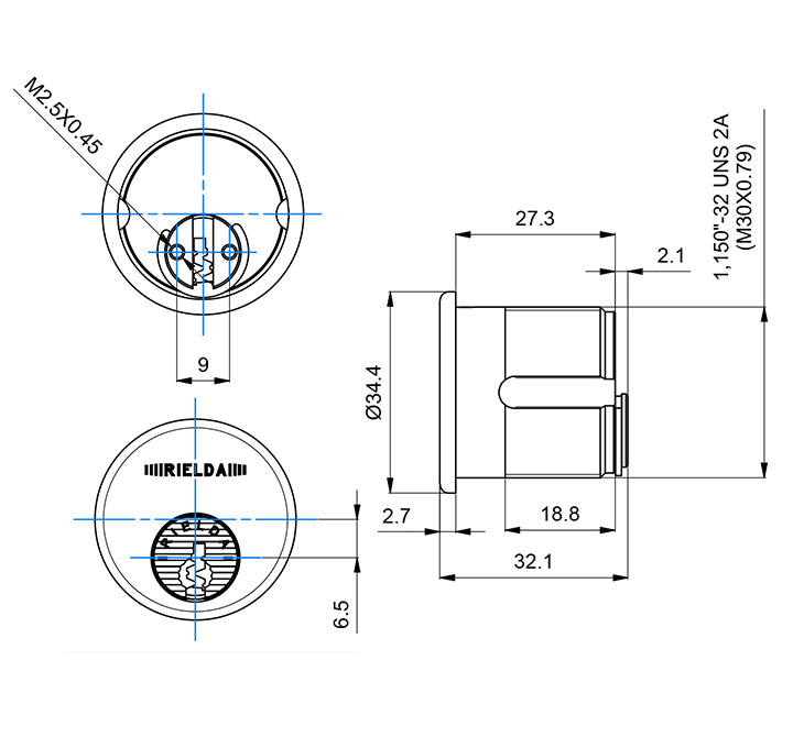
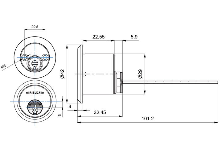
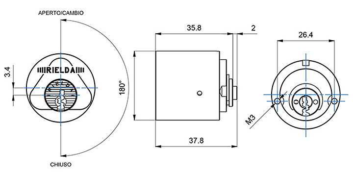
RS3 : Ainfilare
la soluzione di sicurezza riprogrammabile meccanicamente
CONSUMER > RS3 > AINFILARE
